Описание
Характеристики
Отзывы
Описание
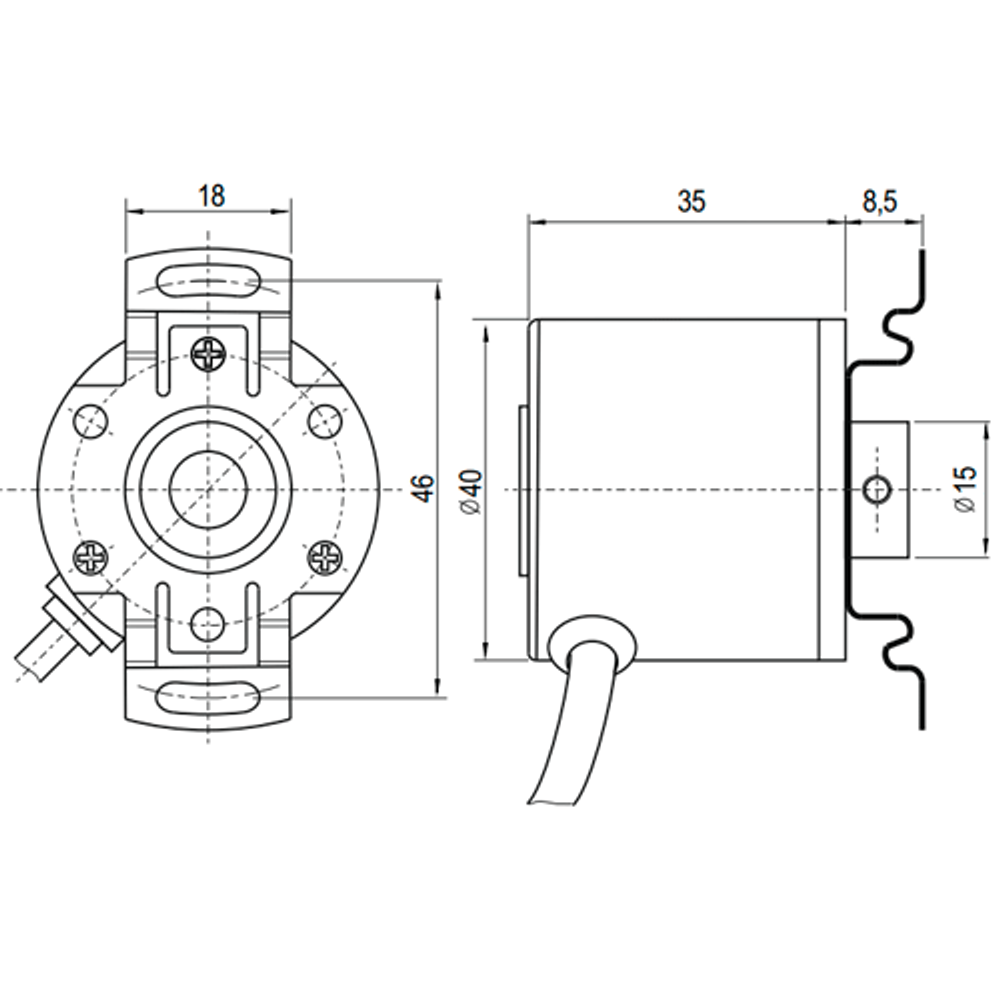
Инкрементальный энкодер INNOCONTD=40мм, полый вал 12мм, 1024 имп/об, 24VDC, выход HTL, IP54, -20…+80°C, радиальный кабель 2м
- Стандартный промышленный размер корпуса Ø40 мм
- Прочная конструкция механической и электрической частей
Для чего применяются инкрементальные энкодеры?
Благодаря своей надежности и доступной цене, эти датчики нашли широкое применение в промышленности и робототехнике:
-
Контроль скорости и положения двигателей в станках с ЧПУ, роботах-манипуляторах.
-
Синхронизация движения в конвейерных системах и упаковочных машинах.
-
Измерение длины материала в полиграфии и текстильной промышленности.
-
Системы позиционирования в лифтах и автоматических дверях.
Характеристики
Бренд
INNOCONT
Диаметр корпуса (мм)
40
Тип вала
полый
Диаметр вала (мм)
12
Разрешение энкодера (имп/об)
1023
Напряжение (В)
24
Макс. скорость вращения
5000
Тип выхода
Totem pole
Диапазон рабочих температур
от -20 до +85
Степень защиты (IP)
IP54
Длина (мм)
37
Ширина (мм)
40
Высота (мм)
40
Все характеристики
Отзывы
Отзывов еще никто не оставлял
Ранее просмотренные
